

| V9120iS | ||
|---|---|---|
| Power supply | Rated voltage | 100-240V AC/ 24V DC |
| Permissible range of voltage | AC: -15%, +10%/ DC: ±10% | |
| Permissible momentary power failure | AC within 20ms, DC within 1ms | |
| Demand (maximum rating) | AC: 70VA or less/ DC: 28W or less | |
| Insulation resistance | DC500V 10MΩ or more | |
| Physical environment | Ambient temperature | 0~50℃ *1 |
| Ambient humidity | 85%RH or less (without dew condensation) *1 | |
| Operation altitude | 2,000 meters or lower | |
| Atmosphere | Not to be exposed to corrosive gas, or conductive dust | |
| Storage temperature | -10~60℃ *1 | |
| Storage humidity | 85%RH or less (without dew condensation) *1 | |
| Overvoltage category | Category II | |
| Pollution degree | Pollution degree 2 | |
| Mechanical operating conditions | Resistance to oscillation | Complies with JIS B 3502 (IEC61131-2) Vibration frequency: 5-9Hz, pulsating with:3.5mm, 9-150Hz, Acceleration: 9.8m/s2(1G),X,Y,Z: 3 directions (10 times each) |
| Resistance to shock | Complies with JIS B 3502 (IEC61131-2) Peak acceleration: 147m/s2(15G), X,Y,Z: 3 directions, three times each (18 times in total) | |
| Electric operating conditions | Resistance to noise | Noise voltage: 1,500Vp-p, pulse width: 1μs, pulse rise time: 1ns |
| Resistance to static discharge | Complies with IEC61000-4-2, contact: 6kV, air: 8kV | |
| Installation conditions | Grounding | Grounding resistance: Less than 100Ω, FG/SG separation |
| Structure | Protection structure: Front case: IP66, Type 4X/13 *2(when water-proof gasket is used), Rear case: IP20, single unit, installation method: panel mounting | |
| Cooling system | Natural air cooling | |
| Dimensions W*H*D(mm) | 327.8×261.0×54.9 | |
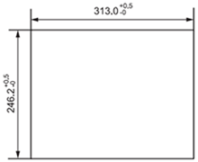
| Panel cutout (mm) | 313.0×246.2(+0.5/-0) | |
| Weight (display only) | Approx. 2.5 kg | |
| Case color | Light gray (black front housing for black model) | |
| Material | PC resin | |
| Screen memory (FROM) | 64MB | |
|---|---|---|
| Backup memory (SRAM) | 800KB | |
| Display | Display device | TFT color LCD |
| Resolution | 800×600 | |
| Display size | 12.1″ | |
| Colors | 16.7 million *3 | |
| Backlight | LED | |
| Backlight life | 70,000 hours | |
| Touch switch | Type | Analog resistance film |
| Function switch | Quantity | 8 |
| External interface | D-Sub 9-pin (CN1) | RS-232C/ RS-485(2-wire system)/ RS-422(4-wire system), Asynchronous type, Data length: 7,8 bits, Parity: even, odd, none, Stop bit: 1, 2 bits, Baud rate: 4800, 9600, 19200, 38400, 57600, 76800, 115200, 187500*4 bps |
| Modular 8-pin (MJ1/MJ2) | RS-232C/ RS-485(2-wire system), Asynchronous type, Data length: 7,8 bits, Parity: even, odd, none, Stop bit: 1, 2 bits, Baud rate: 4800, 9600, 19200, 38400, 57600, 76800, 115200 bps | |
| SD card | One card slot provided as standard | |
| Ethernet | 1ch, Baud rate: 100Mbps, 10Mbps | |
| Wireless LAN *5 | Complies with IEEE802.11b/g/n (2.4GHz) | |
| USB | Type A,Type mini-B(Ver.2.0) | |
| Sound output | 1ch provided as standard | |
| Clock | Backup period | 5 years (Ambient temperature 25°C) |
| Calendar accuracy | Gap ±90 sec. per month (Ambient temperature 25°C, when power is not supplied) | |
| Standard | CE marking *6 | EN61000-6-2,EN61000-6-4 *8 |
| UL・cUL *6 | UL61010-1、UL61010-2-201*7 、ANSI/ISA 12.12.01 *2 | |
| KC *8*9 | Compliant | |
| Radio Act *5 | Japan: TELEC | |
| Classification Standard | Nippon Kaiji Kyokai (NK) American Bureau of Shipping (ABS) Lloyd's Register of Shipping (LR) Det Norske Veritas (DNV) |
(Unit: mm)
| Side view | Front view | Rear view |
|---|---|---|
![]() | ![]() | ![]() |
| Bottom view | Panel cutout |
|---|---|
![]() | ![]() |
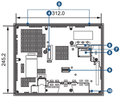
Display
Function switch
Power lamp
Communication unit connector (EXT1)
Fall prevention hook
Optional unit connector (EXT2)
SD card access LED
Battery holder
DIP switch
USB cable holding hole
SD card connector
Sound output connector (AUDIO)
Power input terminal block
Modular jack 1 (MJ1)
Modular jack 2 (MJ2)
PLC connector (CN1)
100BASE-TX/10BASE-T port (LAN)
USB-A(U-A)
USB mini-B(U-B)
Screw hole