
| V9120iS | ||
|---|---|---|
| 전원 | 정격전압 | AC품 AC100~240V, DC품 DC24V |
| 전압허용범위 | AC품 -15%, +10%, DC품 ±10% | |
| 허용순간 정전시간 | AC품 20ms 이내, DC 품 1ms 이내 | |
| 소비전력(최대정격) | AC품 70VA 이하, DC품 28W 이하 | |
| 절연저항 | DC500V 10MΩ 이상 | |
| 물리적 환경 | 동작 주위온도 | 0∼50℃ ※1 |
| 동작 주위습도 | 85%RH 이하(결로가 없을 것) ※1 | |
| 사용 고도 | 표고 2,000m 이하 | |
| 사용 분위기 | 부식성 가스 없고, 먼지가 심하지 않은 것(도전성 먼지가 없을 것) | |
| 보존 온도 | -10∼60℃※1 | |
| 보존 습도 | 85%RH 이하(결로가 없을 것) ※1 | |
| 과전압 카테고리 | 카테고리Ⅱ | |
| 오염도 | 오염도2 | |
| 기계의 가동조건 | 내진동 | JIS B 3502(IEC61131-2) 준거 진동 주파수 5~9Hz 편진폭:3.5mm, 9~150Hz 정가속도 9.8m/s2(1G), X, Y, Z 3방향(각 10회) |
| 내충격 | JIS B 3502(IEC61131-2) 준거 피크 가속도 147m/s2(15G), X, Y, Z 각 3방향, 각 3회(합계 18회) | |
| 전기적 가동조건 | 내노이즈 | 노이즈전압 1,500Vp-p, 펄스폭 1μs, 기동시간 1ns |
| 내정전기 방전 | IEC61000-4-2에 준거, 접촉 6kV, 공기의 8kV | |
| 설치조건 | 접지 | D종 접지(제3종 접지) FG, SG는 분리 |
| 구조 | 패널 전면 표면:IP66 준수 , 형식 4X/13 ※2 ( 방수 가스켓을 설치하는 경우 ) 후면 케이스:IP20 을 충족합니다 . | |
| 냉각방식 | 자연공랭 | |
| 외형치수 W×H×D(mm) | 327.8×261.0×54.9 | |
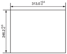
| 패널 컷 W×H(mm) | 313.0×246.2(+0.5/-0) | |
| 무게(본체만) | 약 2.5 kg | |
| 케이스 색상 | 라이트 그레이 | |
| 재질 | PC 수지 | |
| 화면 메모리(FROM) | 64M byte | |
|---|---|---|
| 백업 메모리(SRAM) | 800K byte | |
| 표시부 사양 | 표시 장치 | TFT 컬러 |
| 표시 해상도 | 800×600 | |
| 표시 크기 | 12.4인치 | |
| 표시색 | 1,677만 컬러 ※3 | |
| 백라이트 | LED | |
| 백라이트 수명 | 70,000시간 | |
| 터치 스위치 사양 | 방식 | 아날로그 저항막 |
| 기능 스위치 사양 | 구성 수 | 8개 |
| 외부 인터페이스 | D-Sub 9핀(CN1) | RS-232C, RS-485(2선 연결 ), RS-422(4선 연결 ) 조보 동기식 데이터길이: 7, 8비트 패리티: 짝수,홀수, 없음 스톱 비트: 1, 2비트 전송속도: 4800, 9600, 19200, 38400, 57600, 76800, 115200, 187500※4 bps |
| 모듈러 8핀 (MJ1/MJ2) | RS-232C, RS-485(2선 연결 ) 조보 동기식 데이터길이: 7, 8비트 패리티: 짝수,홀수, 없음 스톱 비트: 1, 2비트 전송속도: 4800, 9600, 19200, 38400, 57600, 76800, 115200bps | |
| SD카드 | 1슬롯 표준장비 | |
| Ethernet | 1CH 전송속도: 100Mbps, 10Mbps | |
| 무선 LAN ※5 | IEEE802.11b/g/n 준거(2.4GHz) | |
| USB | Type A, Type mini-B(Ver.2.0) | |
| 음성 출력 | 1CH 표준장비 | |
| 시계 | 백업 기간 | 5년(주위온도 25℃) |
| 달력 정확도 | 월차±90초(주위온도 25℃, 무통전 때) | |
| 적응 규격 | CE마킹 ※6 | EN61000-6-2、EN61000-6-4 ※8 |
| UL・cUL ※6 | UL61010-1、UL61010-2-201 ※7、ANSI/ISA 12.12.01 ※2 | |
| KC ※8※9 | 대응 | |
| 전파법 ※5 | 일본: TELEC | |
| 선급 규격 ※2※8 | 일본 해사 협회(NK) 미국 선급 협회(ABS) 로이드 선급 협회(LR) 노르웨이 선급 협회(DNV) |
(단위:mm)
| 측면도 | 정면도 | 배면도 |
|---|---|---|
![]() | ![]() | ![]() |
| 하면도 | 패널 컷 |
|---|---|
![]() | ![]() |
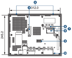
디스플레이
Function 스위치
POWER 램프
통신 인터페이스 유닛용 커넥터(EXT1)
탈락 방지용 부위
옵션 유닛용 커넥터(EXT2)
SD카드 액세스 LED
배터리 홀더
딥스위치
USB 케이블 고정용 구멍
SD카드용 커넥터(SD)
음성 출력용 커넥터(AUDIO)
전원 입력 단자대
모듈러 잭1(MJ1)
모듈러 잭2(MJ2)
PLC통신 커넥터(CN1)
100BASE-TX/10BASE-T용 커넥터(LAN)
USB-A(U-A)
USB mini-B(U-B)
설치구멍 

